Описание

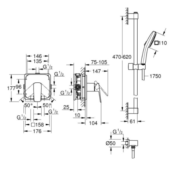
Скрытая душевая система Grohe Cubeo с Tempesta 110 — это современное и стильное решение для ванной комнаты, обеспечивающее комфорт, функциональность и безупречный внешний вид. Комплект сочетает высококачественный смеситель скрытого монтажа и удобный душевой набор с двумя режимами струи. Технологии Grohe обеспечивают долговечность, экономию воды и максимальное удовольствие от принятия душа.
Смеситель скрытого монтажа Grohe Cubeo выполнен с использованием надёжного керамического картриджа GROHE SilkMove, устойчивого покрытия GROHE Long-Life и удобной регулировки. Душевой комплект Tempesta 110 предлагает два режима подачи воды, инновационную технологию GROHE DreamSpray и защиту от образования известкового налёта.
Система подходит для использования с проточными водонагревателями и отличается простым монтажом благодаря GROHE FastFixation.
Важно: комплект поставляется без встроенной части GROHE Rapido SmartBox (покупается отдельно).
Состав комплекта
1. Смеситель для душа скрытого монтажа Grohe Cubeo (101 777)
-
Комплект верхней монтажной части для Rapido SmartBox 35 600/35 604
-
Керамический картридж GROHE SilkMove 46 мм
-
Прочное покрытие GROHE Long-Life
-
Настенная розетка GROHE FastFixation
-
Металлический рычаг управления
-
Пропускная способность: 30 л/мин (выход B или C)
-
Подгонка накладки до 6°
-
Без встроенной части
2. Душевой набор Grohe Tempesta 110 (26 748)
Состоит из:
-
ручной душ Tempesta Cube 110 (2 режима: Rain, Jet)
-
душевая штанга 600 мм
-
душевой шланг Relexaflex 1750 мм
Технологии:
-
GROHE Water Saving — экономия воды без потери комфорта
-
GROHE SmartSwitch — лёгкое переключение режимов
-
GROHE DreamSpray — идеальное распределение потока
-
GROHE FastFixation — регулируемый верхний держатель
-
SpeedClean — защита от известкового налёта
-
Inner WaterGuide — защита поверхности от нагрева
-
ShockProof — амортизирующее кольцо от повреждений
-
Максимальный расход при 3 бар: 8,5 л/мин
-
Подходит для проточных нагревателей
3. Шланговое подключение Rainshower (27 057)
-
Наружная резьба 1/2″
-
Круглая декоративная розетка
-
Защита от обратного потока
-
Прочное хромированное покрытие GROHE Long-Life
Характеристики
-
Коллекция: Cubeo
-
Поверхность: хром
-
Монтаж: скрытый
-
Количество режимов ручного душа: 2
-
Длина шланга: 1750 мм
-
Тип системы: со смесителем
-
Излив: без излива
-
Размер упаковки: 658 × 286 × 190 мм
-
Вес: 3.84 кг
-
EAN: 4067393050247
-
Страна-производитель: Германия
-
Гарантия: 72 месяца























